当电机断电时,不会因为惯性而立即停止运转。这种情况不适合某些生产机器。电机断电后往往需要采取一些制动措施。一般有两种制动方式,一种是机械制动,一种是电气制动。
机械制动
利用外部机械力使电机转子快速停止转动的方法称为机械制动。电磁制动器是应用最广泛的机械制动装置,它利用制动器紧紧抱住与电机同轴的制动轮,产生机械制动力。由于结构的不同,制动方式有通电制动和断电制动两种。即一种方法是电磁制动器的线圈通电时会产生制动作用,另一种方法是电磁制动器的线圈断电时会产生制动作用。虽然电磁制动器的线圈是由电源控制来启动或释放制动的,但制动力的产生和释放是依靠电磁制动装置的弹簧等机械结构来实现的,所以称之为机械制动器。

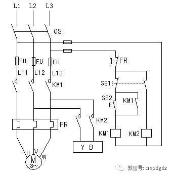
上图为通电制动的电磁制动控制电路。电机通电时,电磁制动线圈YB断电,起制动作用的闸瓦和制动轮分离,不影响电机正常工作。当电机断电停止运转时,电磁制动器的线圈YB通电,闸瓦紧紧抱住制动轮,使电机快速停止,从而实现制动。电机制动停止后,电磁制动器的线圈处于断电状态。此时,操作者可以手动拉动传动轴来调整工件或进行对刀操作。具体操作和动作顺序如下:首先打开电源开关QS,然后如果准备启动电机,按下启动按钮SB2,交流接触器KM1的线圈通电,接触器KM1的常开辅助触点闭合并自锁,同时其主触点闭合,电机M启动运行。
电机停机制动时,按下复合按钮SB1,其常闭触点先断开,接触器KM1的线圈断电,常开辅助触点断开,KM1的自锁解除,主触点断开,电机M断电停机。之后,SB1的常开触点立即闭合,接触器KM2线圈通电,主触点闭合,电磁制动线圈YB通电,电磁制动器的闸瓦紧紧抱住制动轮,使电机快速停止,实现制动。电机停止制动后,松开复合按钮SB1,接触器KM2线圈断电,电磁制动线圈YB断电,制动器释放。

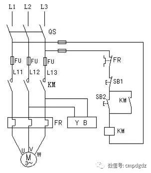
上图为断电制动的电磁制动控制电路。只有当电源切断时,它才起制动器的作用。当机械设备停止时,电磁制动器的闸瓦紧紧抱住制动轮,使电机可靠停止。广泛应用于起重机、卷扬机、电梯等起重机械设备。当设备运行到一定高度时,如果突然停电或供电线路故障导致电机断电,电磁制动线圈YB也会被切断,起制动作用的闸瓦和制动轮会迅速抱紧,起到制动作用,从而保证被提升的重物停留在断电位置,电梯会迅速制动,保证乘客安全,防止事故发生。这种制动方式的具体操作和动作顺序如下:打开电源开关QS;然后,如果准备启动电机,按下启动按钮SB2,交流接触器KM的线圈通电,接触器KM的常开辅助触点闭合并自锁;保持接触器处于吸合状态;当主触点闭合时,电磁制动器的线圈YB通电,电磁制动器的闸瓦和制动轮松开。同时,电机M通电开始运转。
当电机停止制动时,按下停止按钮SB1,接触器KM的线圈断电,常开辅助触点断开,KM的自锁解除,主触点断开,电机M断电停止;T
三相异步电动机反接制动分为电源反接制动和反接制动两种。
电源反向制动
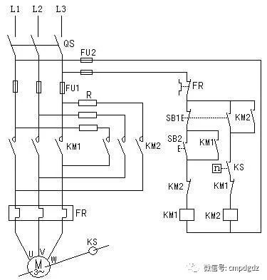
改变电机定子绕组供电相序以获得制动力矩的方法称为反向制动。当电机需要停机制动时,先断开电机与电源的连接,然后迅速给电机接通与通电状态顺序相反的电源,使电机产生一个旋转方向相反的电磁转矩,电机转速迅速下降,最终停止。但当电机转速接近零时,应立即切断反向制动电源,否则电机将反向启动。为了在电机转速接近零时及时切断电机的反向制动电源,防止反向起动,通常在制动回路上连接一个速度继电器KS。速度继电器KS的转子与电机的轴相连。当电机运行时,速度继电器KS的转子随之旋转。当转速等于或超过120转/分钟时,KS的常开触点闭合。当制动过程中电机转速接近零时,例如转速从几千转降到100转/分以下时,KS的常开触点断开。

单向电机电源反向制动控制电路如上图所示。图中KM1为运行接触器,KM2为反向制动接触器,KS为速度继电器,R为反向制动限流电阻,可以防止制动时电流过大。
当电机停止制动时,按下停止按钮SB1,接触器KM1的线圈断电,常开辅助触点断开,KM1的自锁解除,主触点断开,电机M断电停止;KM1的常闭辅助触点闭合,成为制动接触器K2线圈反接的另一个条件。按下停止按钮SB1,关闭该按钮的常开触点。从上图可以看出,倒档制动接触器KM2线圈的电源已经接通,KM2主触头闭合。限流电阻R将电机接入与电状态顺序相反的电源后,电机开始反转制动,转速迅速下降。当电机转速降至100 rpm左右时,速度继电器KS的常开触点断开,接触器KM2线圈断电,制动过程结束。

双向电机电源反接制动控制电路见上图,该电路中使用的电器元件如下表所示。
符号 | 名 称 | 电 路 功 能 |
KM1 | 交流接触器 | 1.正转运行接触器2.反转运行时的反接制动接触器 |
KM2 | 交流接触器 | 1.反转运行接触器2.正转运行时的反接制动接触器 |
KM3 | 交流接触器 | 电动机起动时转速达到120r/min,KM3动作短接限流电阻R |
KA1 | 中间继电器 | 电动机正转运行停机时,触点KA1-1接通KM2线圈电源,使反接制动开始 |
KA2 | 中间继电器 | 电动机反转运行停机时,触点KA2-1接通KM1线圈电源,使反接制动开始 |
KA3 | 中间继电器 | 电动机停机时,经KA1或KA2触点接通KM2或KM1线圈电源,启动反接制动 |
KS | 速度继电器 | 检测电动机正转或反转的转速,低于100r/min时控制结束制动过程 |
SB1 | 复合按钮 | 停机及制动按钮 |
SB2 | 按钮 | 正转起动按钮 |
SB3 | 按钮 | 反转起动按钮 |
R | 限流电阻 | 起动及反接制动时的限流电阻 |
FU1 | 熔断器 | 电动机短路保护 |
FR | 热继电器 | 电动机过载保护 |
双向电机电源反接制动控制电路,正转起动过程分析如下图所示。

双向电机电源反接制动控制电路。前进运行时的制动过程分析见下图。

启动和停止电机的反向制动过程与上述分析类似,有三点不同:
一个是正向操作开始按钮SB2和反向操作开始按钮SB3;
二、接触器KM1用于正向运行开始时接通电机正相序电源,接触器KM2用于在反向运行开始时接通电动机的反相序电源;
第三,前进操作中的驻车制动由速度继电器和中间继电器KA1的KS-1触点控制,而后退操作中的驻车制动由速度继电器和中间继电器KA2的KS-2触点控制。
牵引-反向制动

三相绕线转子异步电动机拖动潜在负载的原理见上图A。这里我们参照三相异步电动机的机械特性曲线进行讨论。电机转速与电磁转矩关系的曲线称为机械特性曲线,是研究电机起动、控制、制动和调速的重要工具。用机械特性曲线分析电机的工作状况有时更方便。电机在额定电压和额定频率下工作时,定子绕组按规定方式连接,定子和转子电路不与电阻等其他电路元件连接。m
电机正常举升重物时,运行在上图b中固有机械特性曲线1的A点,如果在电机的转子电路中串联一个电阻R2b,就会得到一个新的人工机械特性2。在串联电阻的瞬间,由于机械惯性,电机转速无法改变,所以电机的工作点从固有机械特性曲线1的A点转移到人工机械特性曲线2的B点(因为A点和B点对应的转速相同)。由于对应于点B的电磁转矩Tb小于对应于点A的负载转矩TL,所以牵引系统开始减速。当转速降至0时,工作点已到达曲线2的C点。电机的电磁转矩Tc仍然小于负载转矩TL,电机在潜在负载的重力作用下被拖动反向旋转。此时电机转速N<0,而电磁转矩t>0,所以电磁转矩T变成制动转矩,电机进入反向制动状态。在潜在负载重力的作用下,电机反转加速。从人工机械特性2可以看出,其电磁转矩逐渐增大。当到达曲线2的D点时,Td=TL,即电磁转矩等于负载转矩。此时电机转速稳定在nd,重物以稳定的速度下降,因此处于稳定的制动运行状态。<!--0,而电磁转矩t-->
只要适当选择电机转子电路的串联电阻R2b,反拉反接制动可以获得任意低的速度来降低重量,安全性更好。
能耗
将运行中的电机从交流电源上切断,并立即将DC电源引入定子绕组的任意两相,迫使电机快速停止的方法称为能耗制动。流经电机定子绕组的DC电流在电机中产生一个静态的恒定磁场,而转子由于惯性仍按原来的方向旋转。转子导体切割恒定磁场产生的感应电动势和感应电流与恒定磁场相互作用产生电磁力和转矩,电磁转矩的方向与转子旋转方向相反,从而起到制动作用。这种制动将转子的动能转化为电能,消耗在转子电路的电阻上。当动能耗尽时,转子停止运转,所以称为能耗制动。能耗制动方式有两种,一种是不带变压器的半波整流能耗制动电路,另一种是带变压器的桥式整流能耗制动电路。
无变压器半波整流能耗制动电路

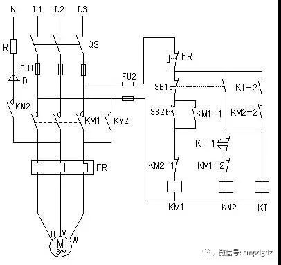
这个能耗制动电路的控制电路如上图所示。晶体二极管作为DC电源用于半波整流,电路简单,成本低。常用于10kW以下的小容量电机。该制动电路的工作过程分析如下。
当电机开始运转时,按下启动按钮SB2,交流接触器KM1的线圈被电动操作,其辅助常开触点KM1-1闭合并自锁;辅助常闭触点KM1-2切断接触器KM2的线圈通路,实现联锁;当主触点闭合时,电机开始运行。

电机带能耗停机制动时的工作过程分析见上图。
电机带能耗制动时,直流电流通路如下:电源相线L1开关QS熔断器FU1接触器KM2主触头热继电器FR电机W、V端子内部绕组热继电器FR接触器KM2主触头晶体二极管D电阻R电源中性线N,形成一个完整的电路,其中电阻R用来调节能耗制动电流,即制动强度。
上图中时间继电器KT瞬时动作的常开触点KT-2的作用分析如下:如果不使用该触点,时间继电器线圈开路,时间继电器失效,能耗制动电源不会被切断,可能导致设备事故。设计思路是当时间继电器正常时,KT-1延时断开接触器KM2的线圈电源,结束能耗制动;当时间继电器的线圈因开路而损坏时,KT-1不能用来断开接触器KM2的线圈电源,这样瞬时触点KT-2就会断开接触器KM2的线圈自锁通路,使制动电源长时间不通电。如果操作者事先知道时间继电器的故障,他可以连续按下停止制动按钮SB1,直到制动完成并释放该按钮。如果操作者事先不知道时间继电器的故障,只需像正常操作一样点击停止制动按钮SB1,然后电机将停止,没有制动作用。由于这种制动方式多用于10kW以下的小容量电机,制动要求不高,一般不会造成大的异常。
带变压器的桥式整流能耗制动电路

该制动模式的控制电路见上图。常用于10kW以上容量较大的电机。图中T为整流变压器,DZ为单相桥式整流器,电阻R用于调节制动电流,即制动强度。上图与无变压器半波整流能耗制动电路的二次控制电路相同,原理分析相同,此处不再赘述。两种电路的区别在于用于能耗制动的DC功率不同。一个是半波整流电源,一个是桥式整流电源。由于制动电源容量不同,适用于不同容量的电机。
能耗的优点是制动平稳准确,能耗低。一般用于需要精确稳定制动的场合,如机床等设备。
